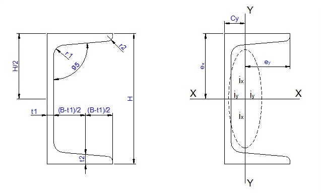
U-SHAPED STEEL
U-SHAPED STEEL is a structural steel with cross-sectional characteristics resembling a C or U shape, with a straight back called the body and two extensions called the upper and lower wings.
Other products











