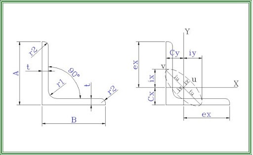
V-SHAPED STEEL
V-SHAPED STEEL, also known as angle steel with a V-shaped cross-section. Steel is divided into 2 main types: normal angle steel and hot-dip galvanized angle steel.
Other products











